1.
“风动石”是福建省著名的自然景观,如图所示。无风时,“风动石”在重力和底部巨石作用力 F1 的作用下静止不动。若“风动石”受到一水平方向的风力作用时仍保持静止,此时底部巨石对其作用力为 F2,则( )
A.F1 的大小比 F2 的小 B.F1 的大小比 F2 的大
C.F1 与 F2 大小相等 D.F1 与 F2 方向相同
【答案】
A
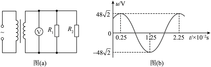
2.在图(a)所示电路中,理想变压器原、副线圈匝数比 4∶1,电阻 R1 的阻值为 R2 的 2 倍,电压表为理想电压表。若原线圈输入如图(b)所示的正弦交流电,则( )

A.交流电周期为 2.25 s
B.电压表示数为 12 V
C.流经副线圈的电流是流经 R1 的 2 倍
D.变压器的输入、输出功率之比为 4∶1
【答案】
B
3.如图,两根长直细导线 L1、L2 平行放置,其所在平面上有 M、O、N 三点,O 为线段 MN 的中点,L1、L2 分别处于线段 OM、ON 的中垂线上。当 L1、L2 通有大小相等、方向相反的电流时,M、O 点的磁感应强度大小分别为 B1、B2。现保持 L1 的电流不变,撤去 L2 的电流,此时 N 点的磁感应强度大小为( )
A.\(\frac{{{B_2}}}{2}\) − B1 B.B2 − \(\frac{{{B_1}}}{2}\) C.\(\frac{1}{2}\)(B2 − B1) D.B2 − B1
【答案】
A
4.角分辨光电子能谱仪是现代科学研究的先进仪器,其核心装置中有两个同心半球极板。垂直半球底面且过球心 O 的截面如图所示。极板间存在一径向电场,其等势线为一系列以 O 为圆心的半圆。电子 a 以初动能 Ek,从入口 M 点垂直半球底面入射,从 N 点射出,电子 b 也从 M 点垂直半球底面入射,经 P 点后从 Q 点射出。两电子的运动轨迹如图所示,已知电子 a 轨迹为一以 O 为圆心的半圆,与 OP 交于 H 点,H、P 两点间的电势差为 U,OM = r,NQ = 2HP,电子电荷量大小为 e,重力不计。则( )
A.B 点的电场强度 E = \(\frac{{{2E_{\rm{k}}}}}{{er}}\)
B.电子 a 在 H 点受到的电场力大小为 \(\frac{{{E_{\rm{k}}}}}{{r}}\)
C.电子 b 在 P 点动能小于在 Q 点动能
D.电子 b 从 M 点运动到 Q 点的过程中,克服电场力所做的功小于 2eU
【答案】
D
5.在 2025 年央视春晚上,人形机器人表演了一个精彩的扭秧歌、转手绢节目。如图,机器人转动手绢,手绢绕其中心点 O 在一竖直面内匀速转动,O 点在空间中保持不动,P、Q 是固定在手绢上可视为质点的两个小饰物,与 O 点的距离分别为 d、\(\sqrt 3 \)d,则手绢转动过程( )
A.Q 的线速度大小是 P 的 \(\sqrt 3 \) 倍
B.Q 的角速度大小是 P 的 \(\sqrt 3 \) 倍
C.P 的加速度大小是 Q 的 \(\sqrt 3 \) 倍
D.P 点所受合外力方向始终指向 O 点
【答案】
AD
6.2025 年,我国“人造太阳”实现了等离子体原子核温度超1亿度的突破。在 1 亿度的高温条件下“人造太阳”内可发生如下核反应:21H + 31H→42He + 10n + 17.5 MeV,若动量大小相等,方向相反的氘核与氚核正碰后发生核反应,反应产生的为 42He 与 10n 的总动能近似等于核反应释放的全部能量,则( )
A.该反应有质量亏损
B.该反应为核裂变反应
C.10n 获得的动能约为 14 MeV
D.42He 获得的动能约为 14 MeV
【答案】
AC
7.
如图,真空中存在一水平向右的匀强电场,同时存在一水平且垂直纸面向里的匀强磁场。一质量为 m、电量为 q(q > 0)的带电微粒从 M 点以初速度 v 入射,沿着 MN 做匀速直线运动。微粒到 N 点时撤去磁场,一段时间后微粒运动到 P 点。已知 M、N、P 三点处于同一竖直平面内,MN 与水平方向呈 45°,N 点与 P 等高,重力加速度为 g,则( )
A.电场强度大小为 \(\frac{{\sqrt 2 mg}}{q}\)
B.磁感应强度大小为 \(\frac{{\sqrt 2 mg}}{{qv}}\)
C.NP 两点的电势差为 \(\frac{{2m{v^2}}}{q}\)
D.从 N 点运动到 P 的过程中,微粒到直线 NP 的最大距离为 \(\frac{{{v^2}}}{{8g}}\)
【答案】
BC
【解析】
AB、带电体在复合场中能沿着 MN 做匀速直线运动,可知粒子受力情况如图所示。
由受力平衡可知
mg = qE,qvB = mg
解得电场强度E = \(\frac{{mg}}{q}\),磁感应强度B = \(\frac{{\sqrt 2 mg}}{{qv}}\),故 A 错误,B 正确。
C、在 N 点撤去磁场后,粒子受力方向与运动方向垂直,做类平抛运动,如图所示。且加速度
a = \(\frac{{{F_合}}}{m}\) = \(\sqrt 2 \)g
粒子到达P点时,位移偏转角为45°,故在 P 点,速度角的正切值
tanθ = 2tan45° = 2
…………
8.
如图,物块 A、B 用轻弹簧连接并放置于水平传送带上,传送带以 1 m/s 的恒定速率顺时针转动。t = 0 时,A 的速度大小为 2 m/s,方向水平向右,B 的速度为 0,弹簧处于原长,t = t1 时(t1 为未知量),A 第一次与传送带共速,弹簧弹性势能 0.75 J。已知 A、B 可视为质点,质量分别为 1 kg、2 kg,与传送带的动摩擦因数为 0.5、0.25;A 与传送带相对滑动时会留下痕迹,重力加速度大小取 g = 10 m/s2,A、B 始终在传送带上,弹簧始终在弹性限度内,则( )
A.在 t = \(\frac{{{t_0}}}{2}\) 时,A 的加速度大小比 B 的小
B.t = t1 时,B 的速度大小为 0.5 m/s
C.t = t1 时,弹簧的压缩量为 0.2 m
D.0 ~ t1 过程中,A 在传送带上留下的划痕长度小于 0.05 m
【答案】
BD
9.某智能洗衣机液位控制原理如图所示。洗衣缸中的水将一定质量的空气封闭在与底部相连的细管中,洗衣机通过压力传感器感知管中空气压强,从而控制水位。假设细管粗细均匀,进排水过程管中空气为理想气体,温度不变。某次排水过程中,管中封闭空气的压强为 p1 时,空气柱长度为 L;当封闭空气的压强为 p2 时,空气柱长度为___________,排水过程管中空气对外___________。(填“做正功”,“做负功”,“不做功”)
【答案】
\(\frac{{{p_1}}}{{{p_2}}}\)L1,做正功
【解析】
设细管的截面积为S,根据玻意耳定律有
p1L1S = p2L2S
可得L2 = \(\frac{{{p_1}}}{{{p_2}}}\)L1
根据题意当洗衣机内的水位下降时,空气柱长度变长,故内部气体对外界做正功。
10.沙蝎能灵敏地感知外界的振动信号,可通过沙子传来的波定位波源位置。一沙蝎先后感知到波源某次振动产生的沿直线传来的纵波和横波,该纵波和横波频率相同,传播速度大小分别为 v1 和 v2,且 v1 大于 v2,则纵波波长___________(填“大于”小于”或“等于”)横波波长。若沙蝎感知到纵波和横波的时间差为 Δt,则沙蝎与波源的距离为___________。
【答案】
大于,\(\frac{{{v_1}{v_2}\Delta t}}{{{v_1} - {v_2}}}\)
【解析】
根据公式 v = λf,由于纵波速度大于横波速度,频率相同,故可知纵波波长大于横波波长;
设波源与蝎子的距离为 s,根据题意可知 \(\frac{s}{{{v_2}}}\) − \(\frac{s}{{{v_1}}}\) = Δt
解得 s = \(\frac{{{v_1}{v_2}\Delta t}}{{{v_1} - {v_2}}}\)
11.如图,M、N、P 是竖直平面内一直角三角形的三个顶点,M、N 在同一水平线上,∠PMN = 30°。M、N 点分别固定有电荷量为 Q1、Q2 的正点电荷。若一带电小球置于 P 点时,处于受力平衡状态,则 Q1 与 Q2 的比值为___________,除 P 点外,线段 MP 上___________(填“存在”或“不存在”)该带电小球受力平衡的其他点。
【答案】
\(\sqrt 3 \)∶1,不存在
12.某实验小组探究糖水折射率 n 随浓度 η 的变化规律。主要装置包括激光器和长方体玻璃缸,玻璃缸正面内侧刻有水平、竖直标尺,如图(a)所示。实验操作过程如下:

(1)调配一定浓度的糖水,注入水平放置的玻璃缸中。
(2)打开激光器,让激光紧贴玻璃缸正面内侧以一定入射角从空气折射入糖水。
(3)调整激光器,使入射点 O 处于竖直刻度尺的正后方,光路如图(b)所示,其中 A 点是入射光线与玻璃缸上边沿所在平面的交点,B 点是折射光线与玻璃缸底部的交点,A、B 点到法线的距离分别为 L1、L2,到液面的距离分别为 h1、h2。测得 L1、L2、h1、h2 的值,并利用表达式 n =________(用 L1、L2、h1、h2 表示)求出糖水折射率。
(4)改变缸内糖水浓度,进行多次实验,将实验数据填入下表。
| 浓度 η/% | 11.8 | 21.1 | 32.0 | 39.1 | 51.1 |
| 折射率 n | 1.34 | 1.36 | 1.38 | 1.40 | 1.42 |
(5)在图(c)给出的坐标纸上补上浓度 η = 32% 的数据点。分析图中数据点,可知糖水折射率随浓度近似线性变化,绘制出“n–η”图线________。

(6)由所绘图线可知,糖水浓度每增加 10.0%,折射率增大________。(结果保留 2 位有效数字)
【答案】
(1)\(\frac{{{L_1}\sqrt {L_2^2 + h_2^2} }}{{{L_2}\sqrt {L_1^2 + h_1^2} }}\)
(5)

(6)0.020
13.某实验小组基于“等效替代法”设计了如图(a)所示的电路用于电阻测量。使用的器材有:电源 E(电动势 3 V),电流表 A(量程 30 mA),定值电阻 R1、R2、R3(阻值均为 100 Ω),定值电阻 R4(阻值 200 Ω),滑动变阻器 R5(最大阻值 200 Ω,额定电流 1.5 A),带标尺的滑动变阻器 R6(最大阻值 100 Ω,额定电流 1.5 A),选择开关 S1,单刀开关 S2,待测电阻 Rx(阻值小于 400 Ω),导线若干。
(1)按照图(a),将图(b)中的实物连线补充完整________;

(2)将鳄鱼夹 a、b 短接,滑动变阻器 R6 的滑片移至最右端刻度处,S1 打在位置 1。接通 S2,调节滑动变阻器 R5,电流表指针指在图(c)所示的位置,记录电流表示数 I =________mA,此示数作为本次实验的电流定标值;
(3)断开 S1、S2,用鳄鱼夹 a、b 夹住 Rx 两端。接通 S2,将 S1 依次打在位置 1、2,发现电流表示数均小于定标值 I;S1 打到位置 3 时,电流表示数大于定标值 I,由此确定 Rx 的阻值范围为________Ω。(填“0 ~ 100”“100 ~ 200”“200 ~ 300”或“300 ~ 400”);
(4)将 S1 重新打在位置________(填“1”“2”或“3”),向左调节滑动变阻器 R6 的滑片,直到电流表指针重新回到定标值位置,此时 R6 的滑片处于 55 Ω 刻度处。基于“等效替代法”原理,可得 Rx 的阻值为________Ω;
(5)以下因素可能影响测量结果的有________。(多选,填正确答案标号)
A.电源存在内阻 B.电流表存在内阻
C.滑动变阻器 R6 读数有偏差 D.步骤(4)电流表指针未重新回到定标值位置
【答案】
(1)

(2)16.0,15.9,16.1
(3)100 ~ 200
(4)2,145
(5)CD
14.在 2024 年巴黎奥运会上,我国游泳运动员创造了男子百米自由泳新的世界纪录。在此次比赛中,运动员起跳后于 t0 时刻入水。入水后的运动过程可近似分为三个阶段:t0 ~ t1 段的前程游为匀减速直线运动,t1 ~ t2 段为匀速游,t2 ~ t3 段的冲刺游为匀加速直线运动;速率 v 随时间 t 变化的图像如图所示。已知 t0 = 0.9 s,t1 = 10.4 s,t2 = 44.4 s,t3 = 46.4 s,求该运动员在
(1)t0 ~ t1段的平均速度大小;
(2)t2 ~ t3段的加速度大小;
(3)t2 ~ t3段的位移大小。
【答案】
(1)2.4 m/s
(2)0.1 m/s2
(3)4.2 m
15.如图(a),竖直平面内,一长度大于 4 m 的水平轨道 OP 与光滑半圆形轨道 PNM 在 P 点平滑连接,固定在水平地面上。可视为质点的 A、B 两小物块靠在一起,静置于轨道左端。现用一水平向右推力 F 作用在 A 上,使 A、B 向右运动。以 x 表示 A 离开初始位置的位移,F 随 x 变化的图像如图(b)所示。已知 A、B 质量均为 0.2 kg,A 与水平轨道间的动摩擦因数为 0.25,B 与水平轨道间的摩擦不计,重力加速度大小取 10 m/s2。
(1)求 A 离开初始位置向右运动 1 m 的过程中,推力 F 做的功;
(2)求 A 的位移为 1 m 时,A、B 间的作用力大小;
(3)若 B 能到达 M 点,求半圆形轨道半径应满足的条件。
【答案】
(1)1.5 J
(2)0.5 N
(3)r ≤ 0.2 m
16.水平地面上固定有一倾角为 30° 的绝缘光滑斜面,其上有两个宽度分别为 l1、l2 的条形匀强磁场区域 Ⅰ、Ⅱ,虚线为磁场边界,均与斜面底边平行,两区域磁场的磁感应强度大小相等、方向均垂直斜面向上,示意图如图所示。一质量为 m、电阻为 R 的正方形细导线框 abcd 置于区域 Ⅰ 上方的斜面上,cd 边与磁场边界平行。线框由静止开始下滑,依次穿过区域 Ⅰ、区域 Ⅱ。已知 cd 边进入 Ⅰ 到 ab 边离开 Ⅰ 的过程中,线框速度恒为 v,cd 边进入区域 Ⅱ 和 ab 边离开区域 Ⅱ 时的速度相同;区域 Ⅰ、Ⅱ 间的无磁场区域宽度大于线框边长,线框各边材料相同、粗细均匀;下滑过程线框形状不变且始终处于斜面内,cd 边始终与磁场边界平行;重力加速度大小为 g。求:
(1)初始时 cd 边与 Ⅰ 区域上边界的距离;
(2)cd 边进入区域 Ⅰ 后瞬间,cd 两端的电势差;
(3)cd 边进入区域 Ⅱ 和 ab 边离开区域 Ⅱ 的过程中,线框克服安培力做功的平均功率。
【答案】
(1)\(\frac{{{v^2}}}{g}\)
(2)\(\frac{3}{4}\sqrt {\frac{{mgRv}}{2}} \)
(3)若 l2 > l1,则 P = \(\frac{{mgv({l_1} + {l_2})}}{{4{l_1}}}\);若 l2 < l1,则 P = \(\frac{{mgv({l_1} + {l_2})}}{{4{l_2}}}\)
2006 - 2026,推荐分辨率 1024*768 以上,推荐浏览器 Chrome、Edge 等现代浏览器,截止 2021 年 12 月 5 日的访问次数:1872 万 9823。 站长邮箱
